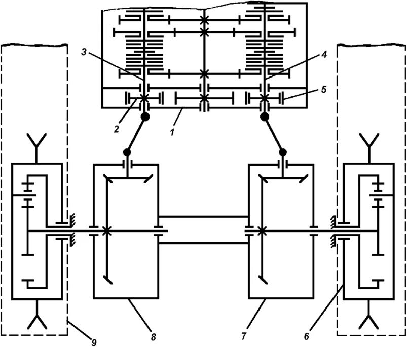
Схема гусеничного трактора