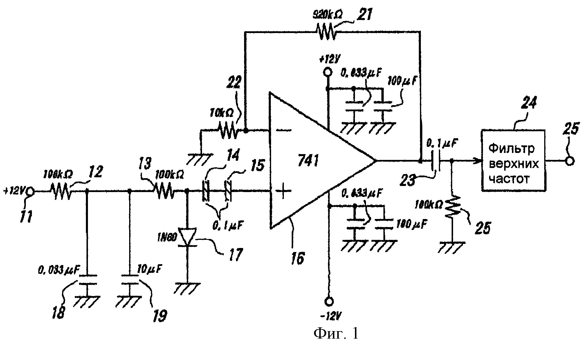
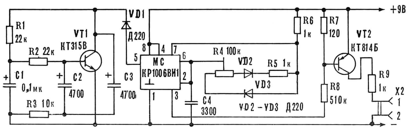
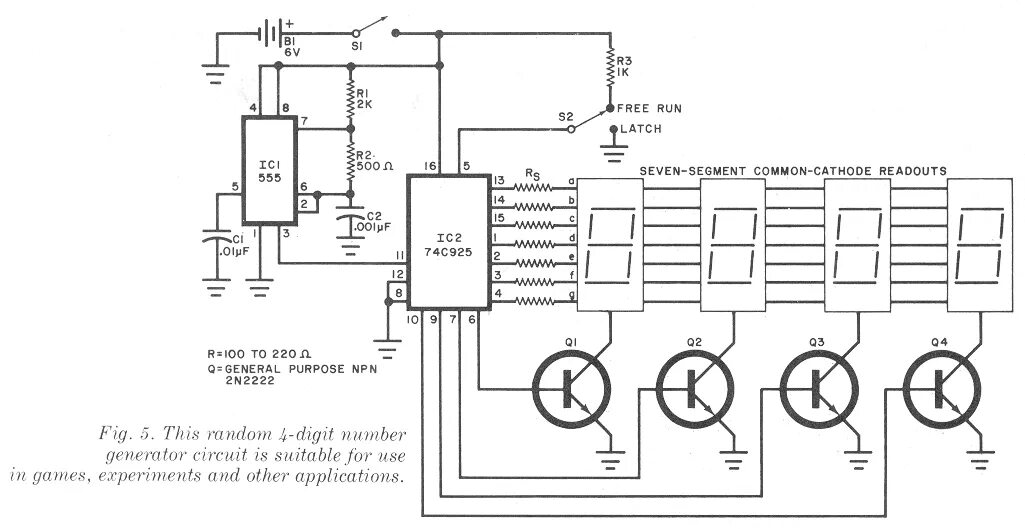
Схема генератора случайных