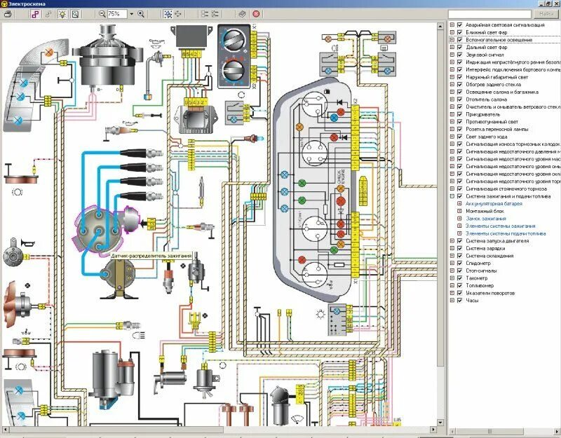
Схема электропроводки 2110 инжектор