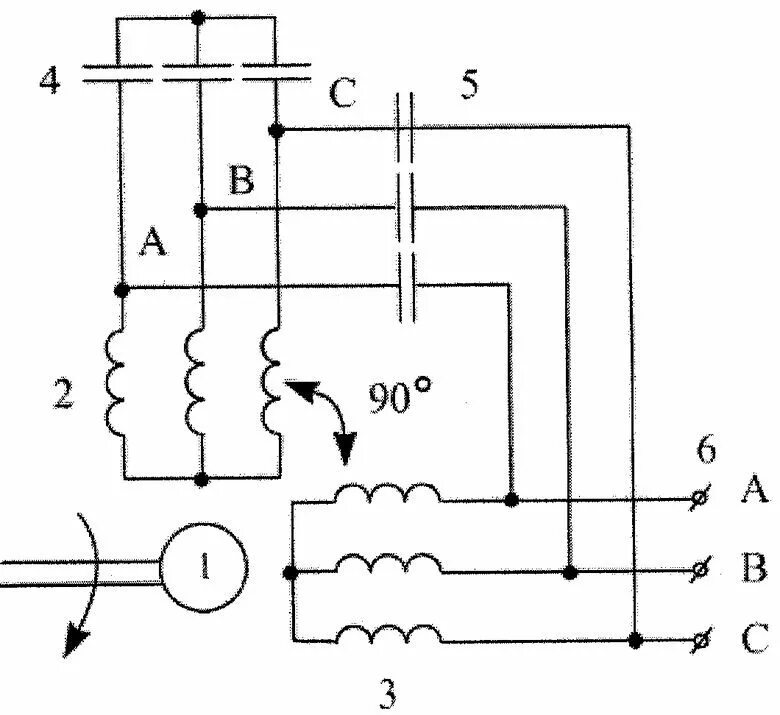
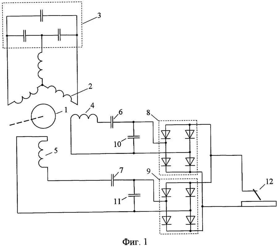
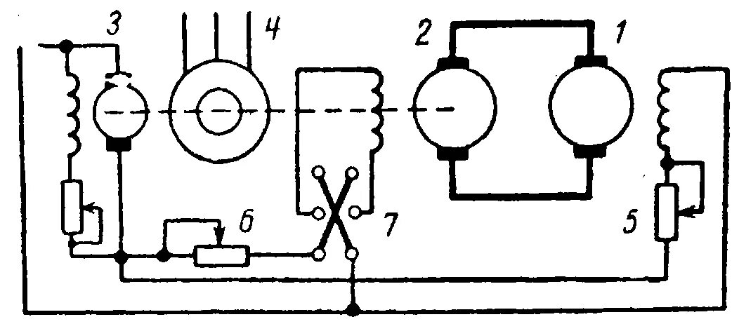
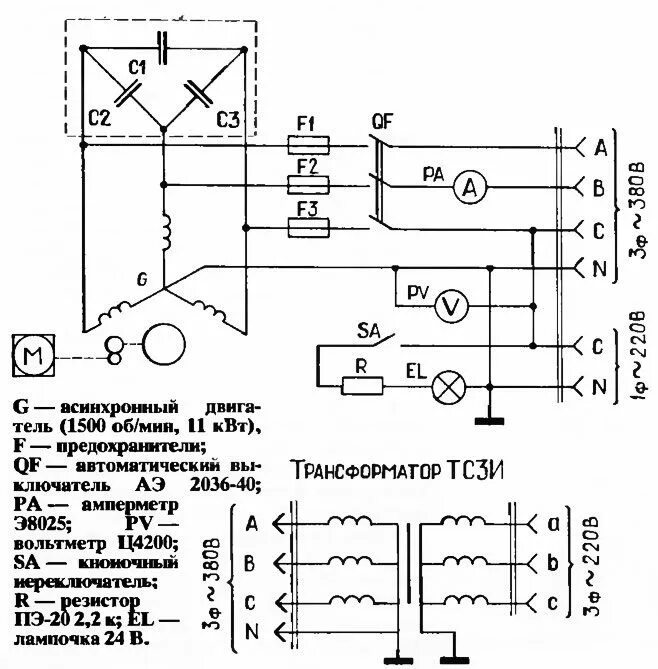
Схема электродвигатель генератор