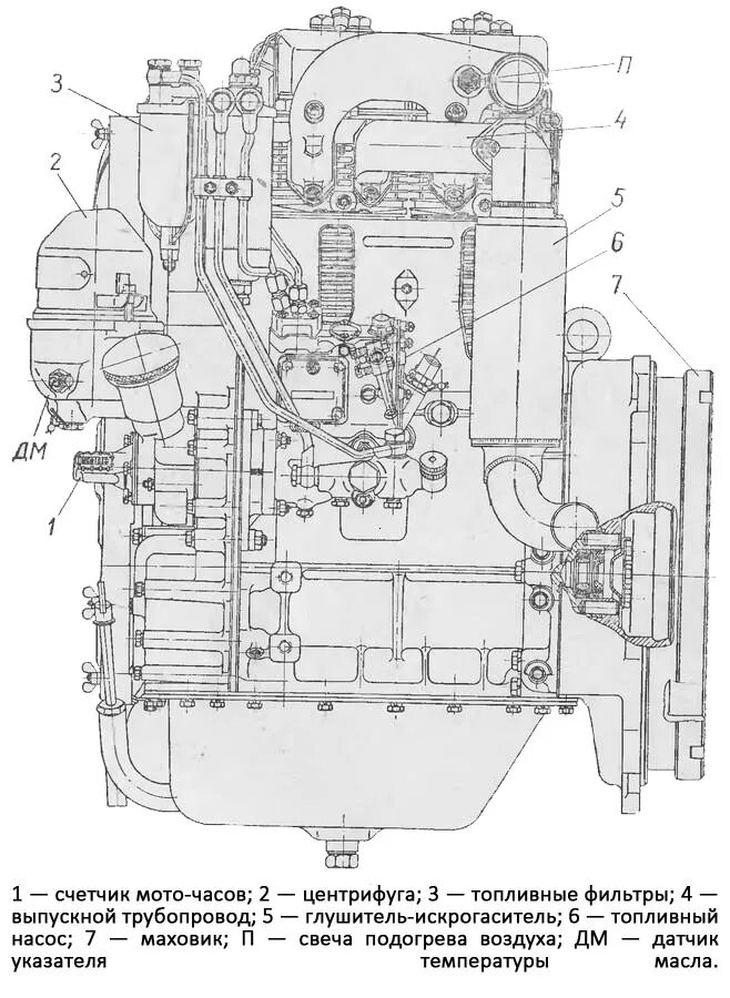
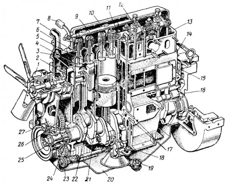
Схема двигателя трактора