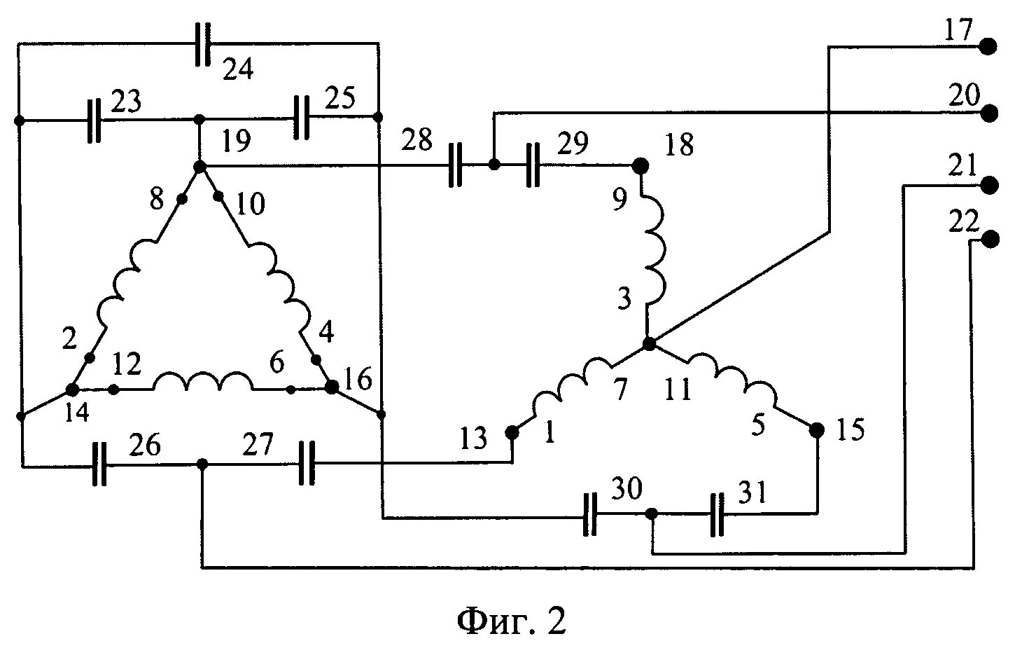
Схема двигателя генератора