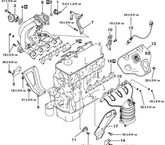
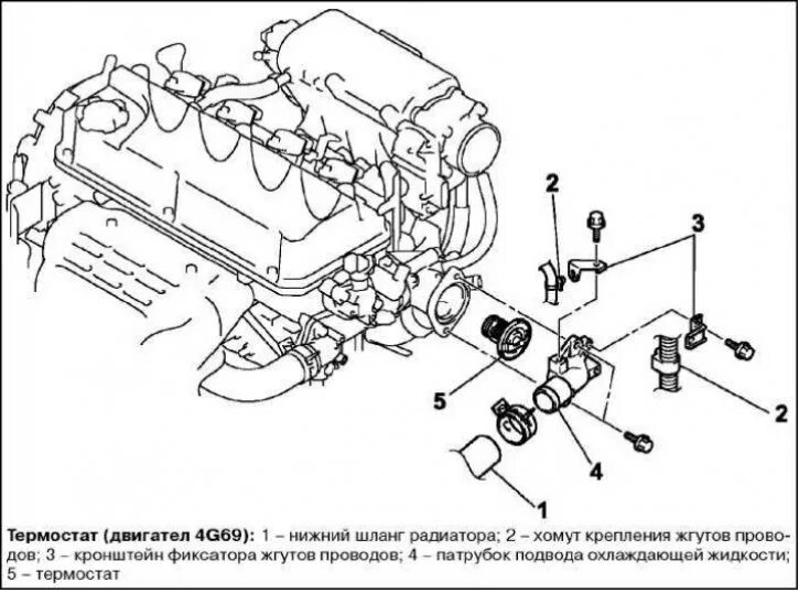
Схема двигателя аутлендер