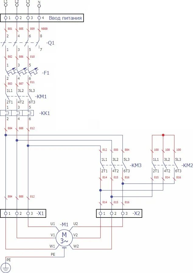
Схема двигателя асинхронного треугольник