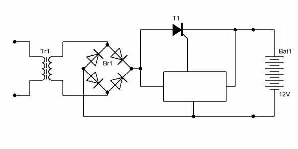
Схема диодного зарядного устройства