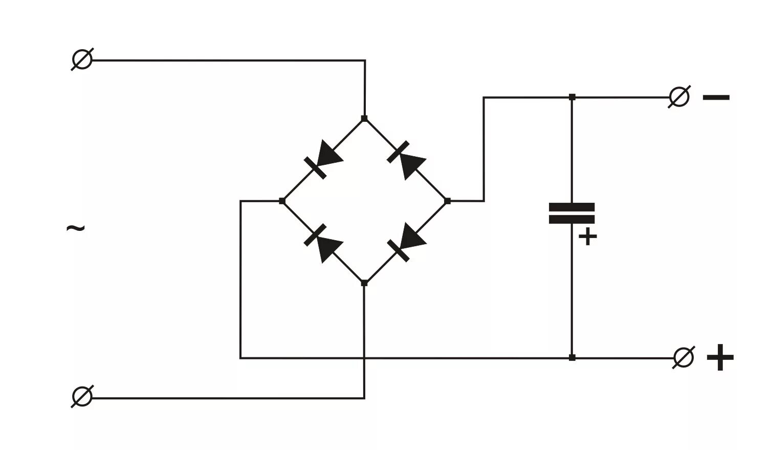
Схема диодного моста