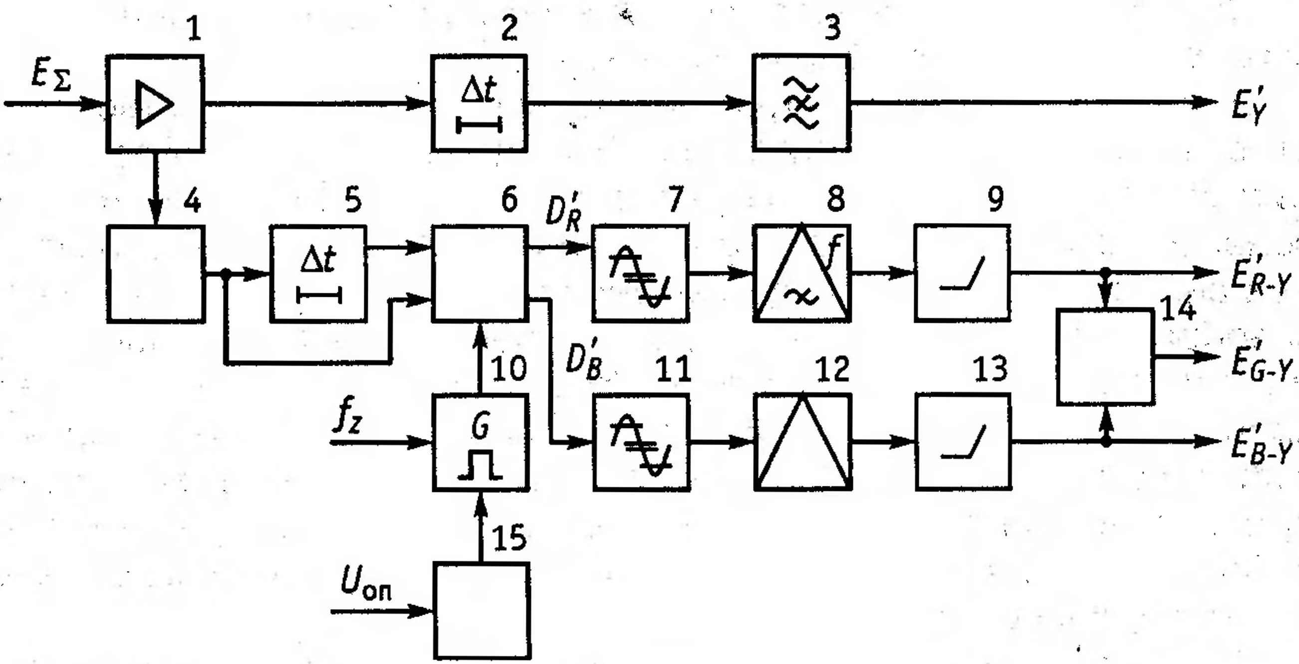
Схема декодирующего устройства