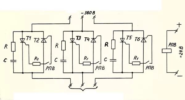
Схема без понятых