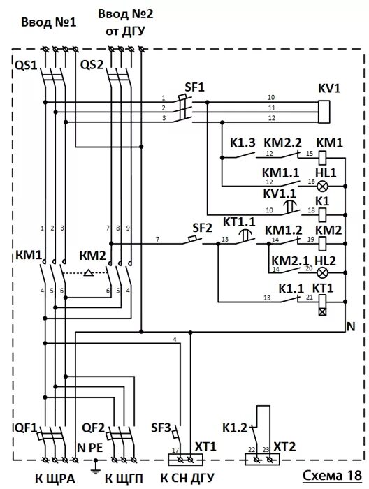
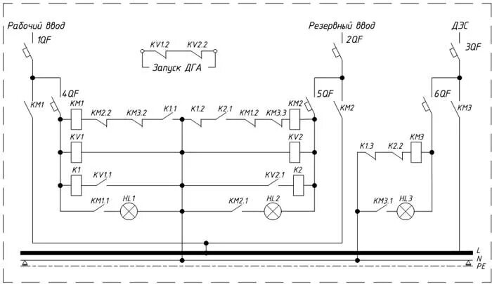
Схема авр с дгу