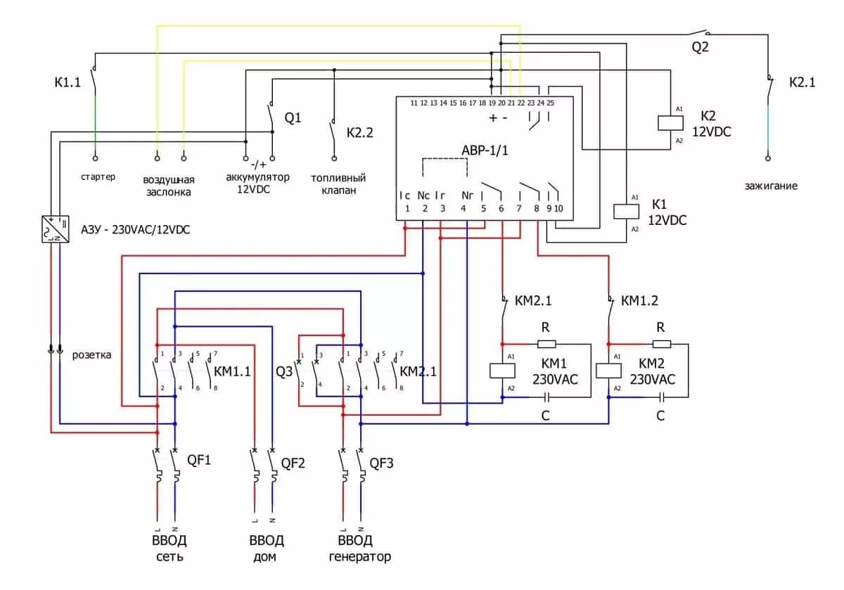
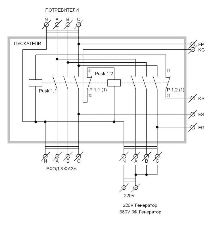
Схема авр однофазного генератора