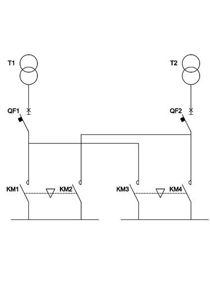
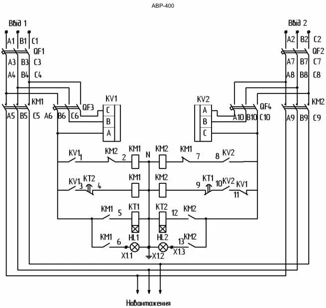
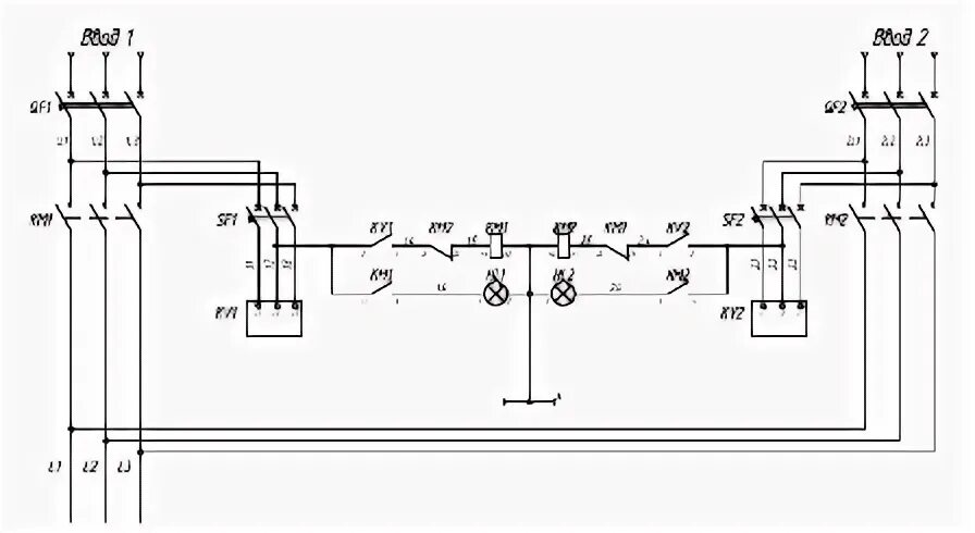
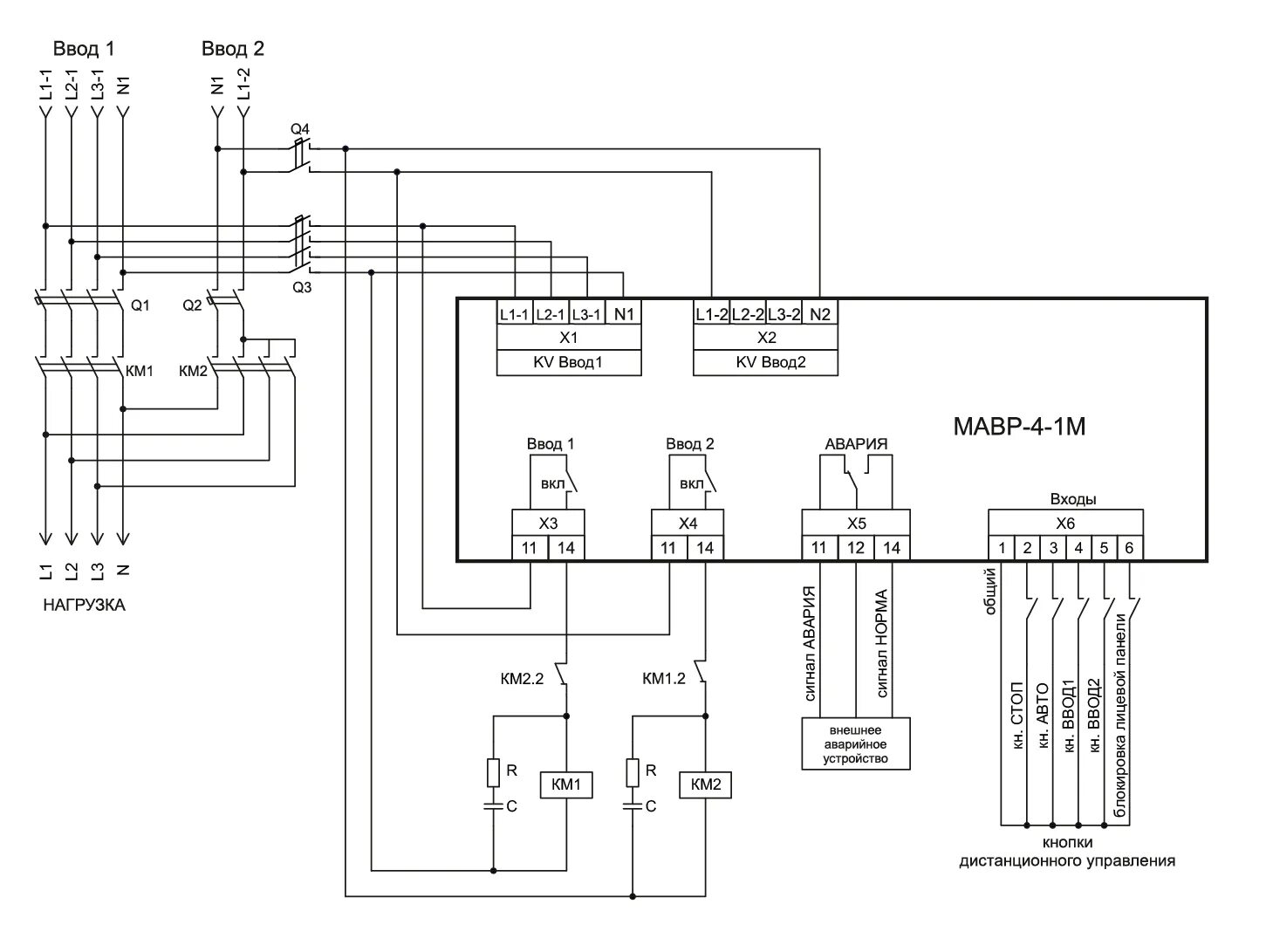
Схема авр на 2 ввода 380в