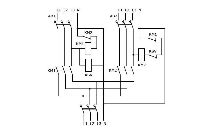
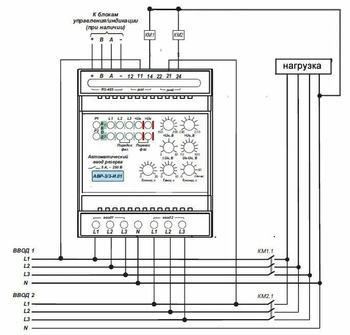
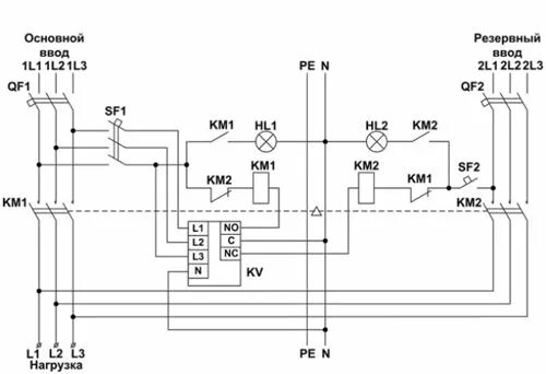
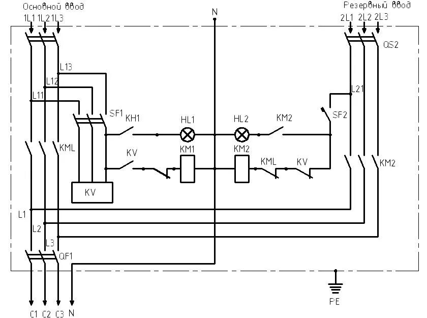
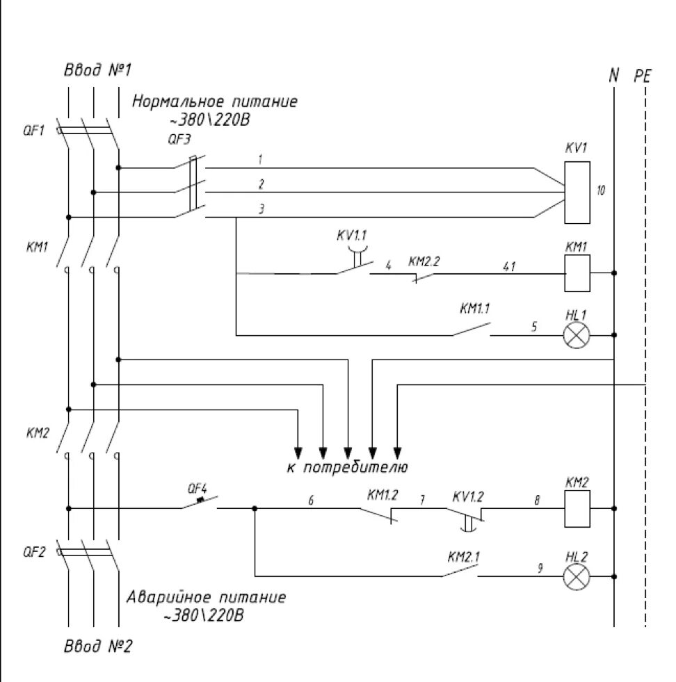
Схема авр на 2 реле фаз