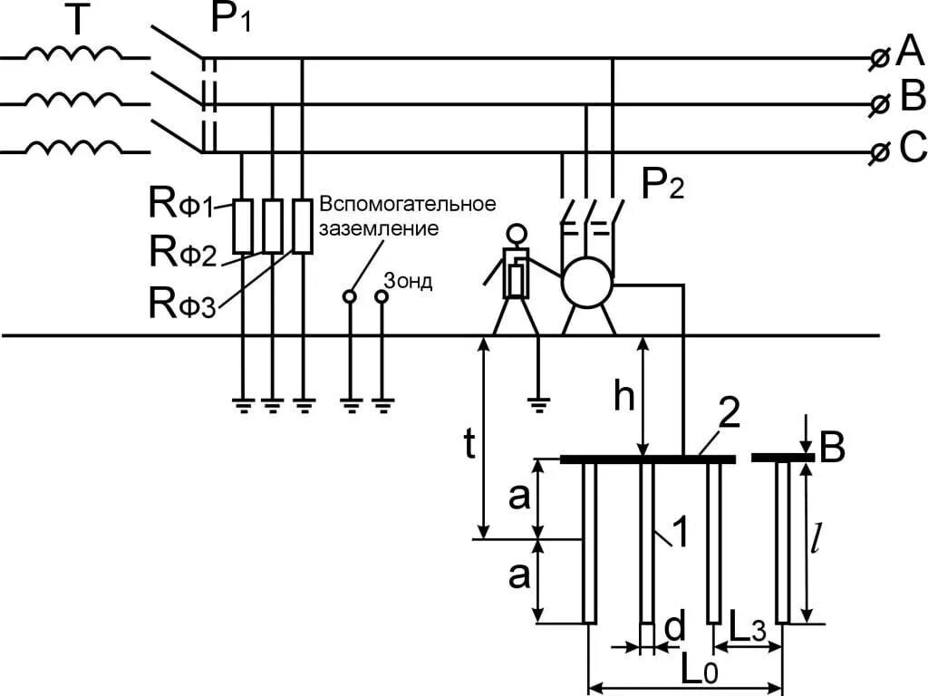
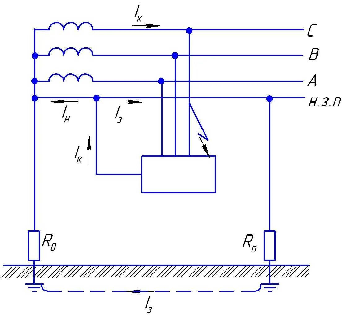
Сети защитного заземления