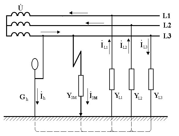
Сеть с компенсированной нейтралью