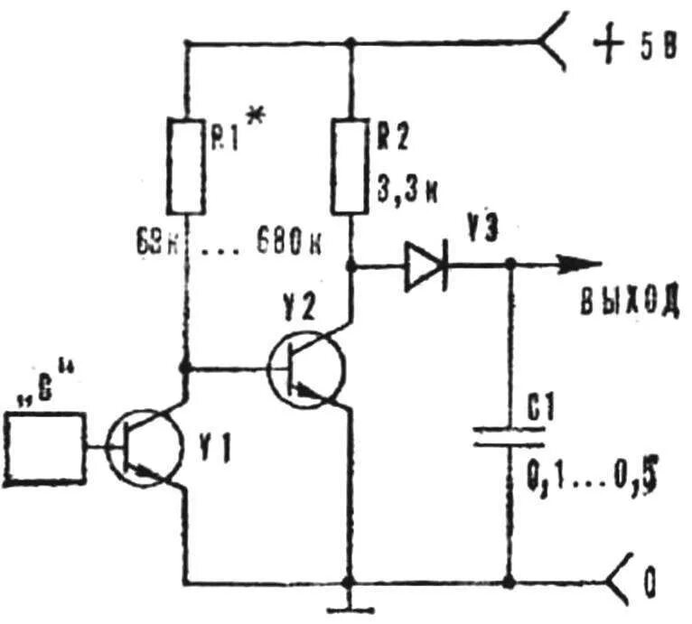
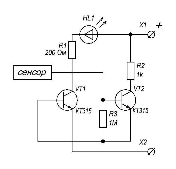
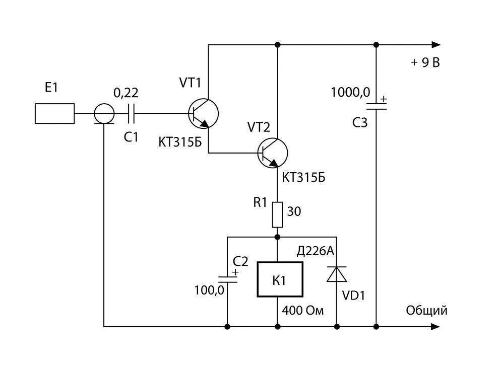
Сенсор своими руками