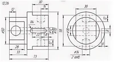
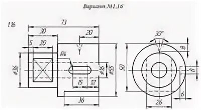
Сечение вариант 12