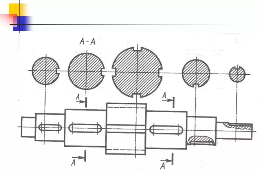
Сечение отверстий