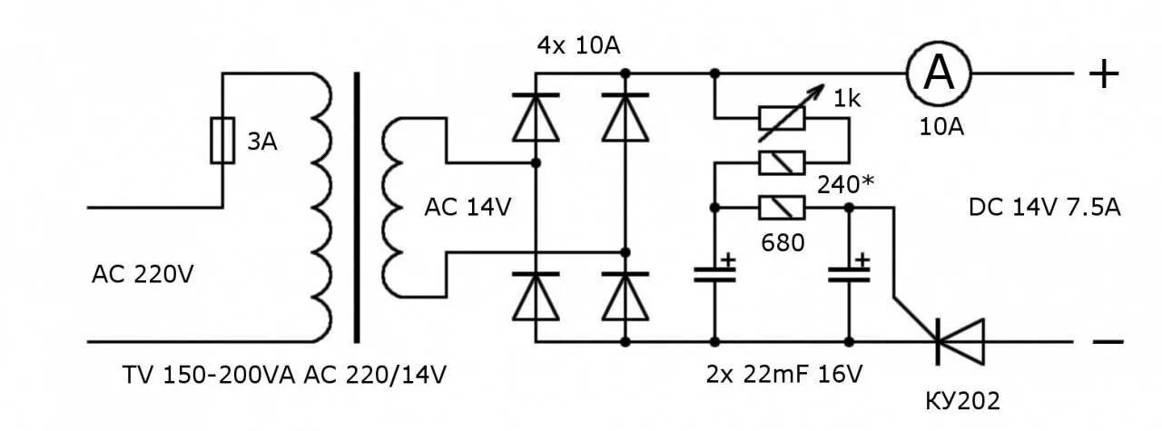
Сделать зарядное устройство своими руками