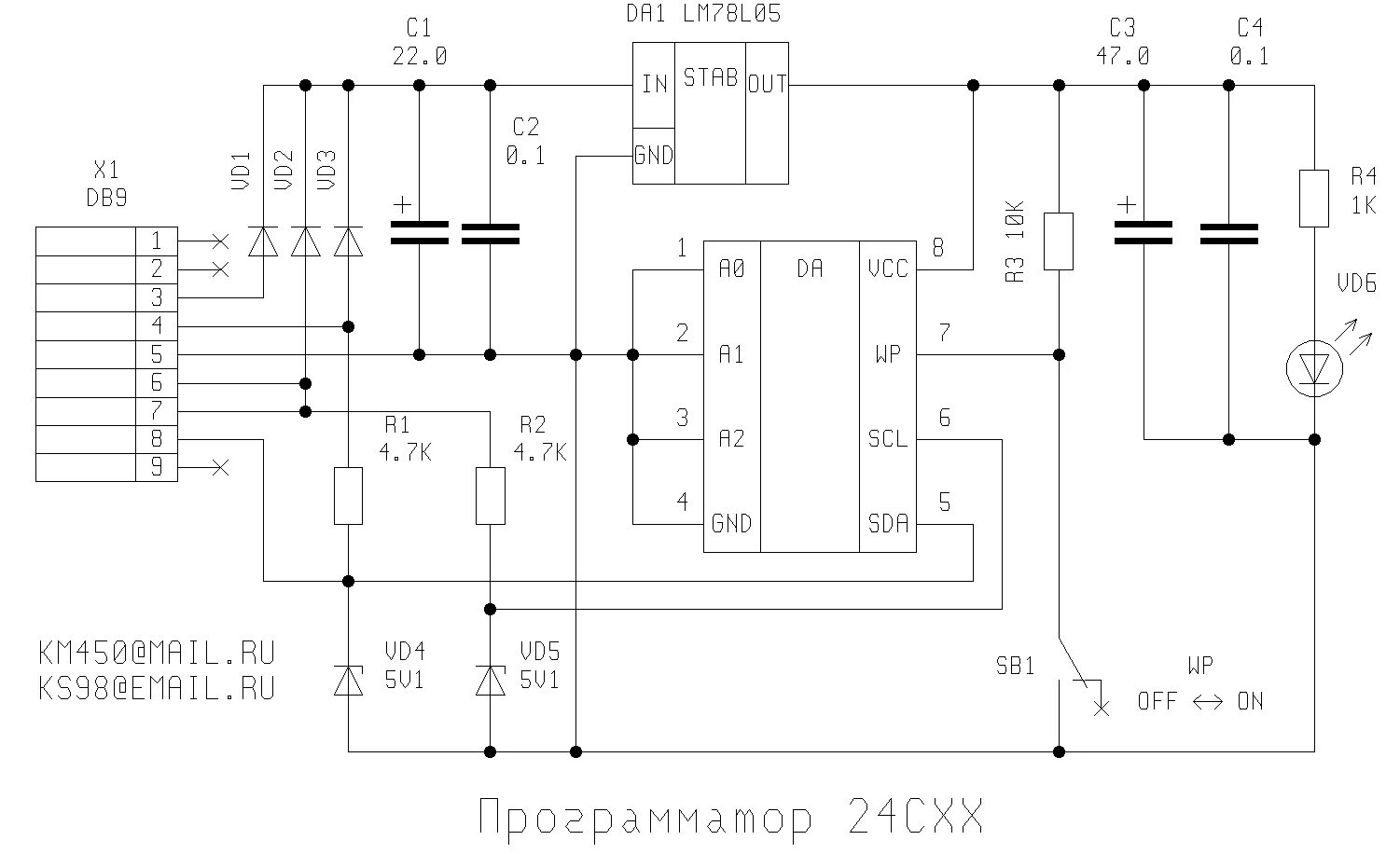
Сделать программатор