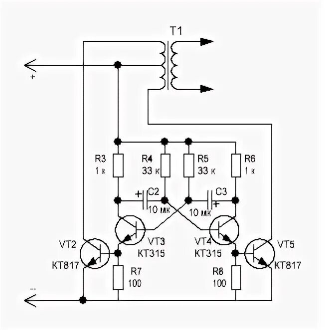
Сделать преобразователь напряжения