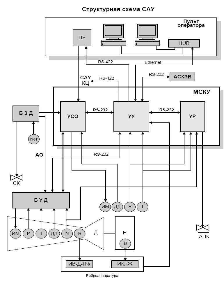
Сау система автоматизированного управления