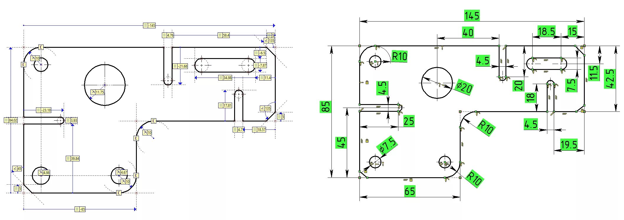
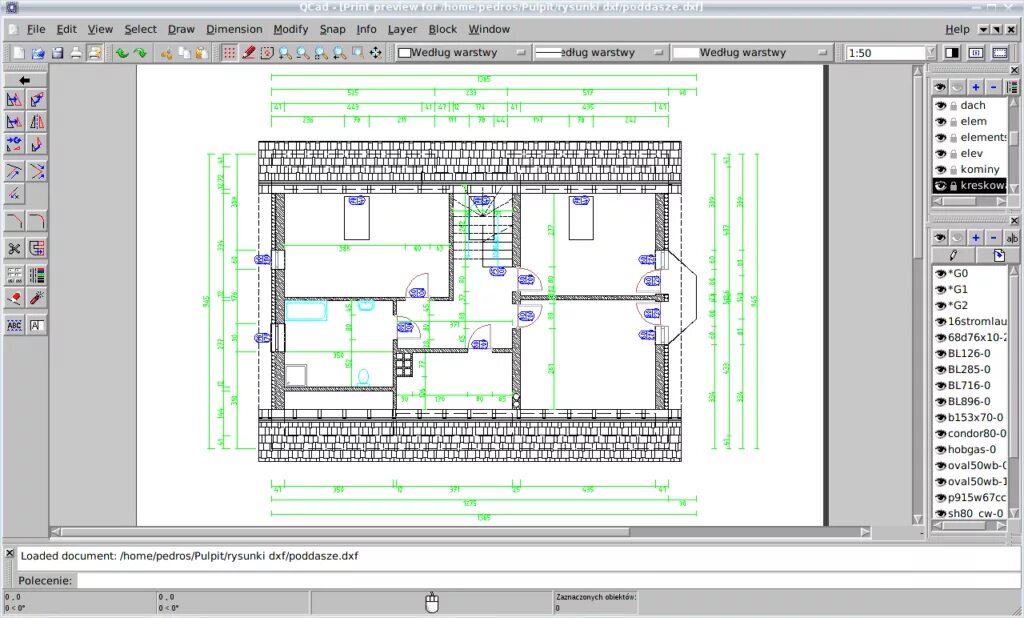
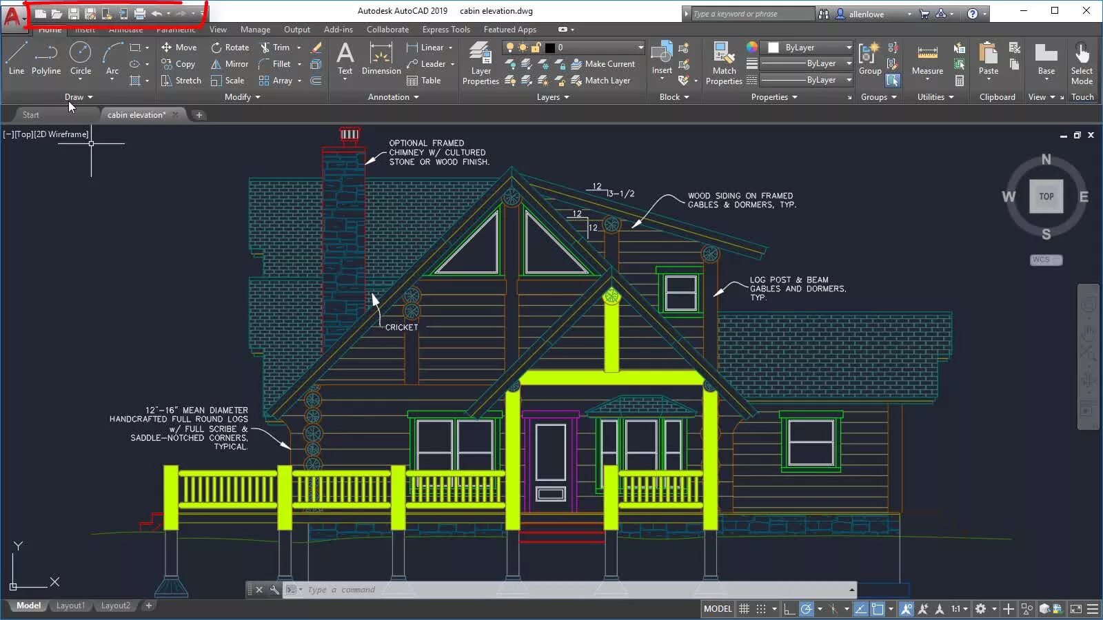
Сапр 2d