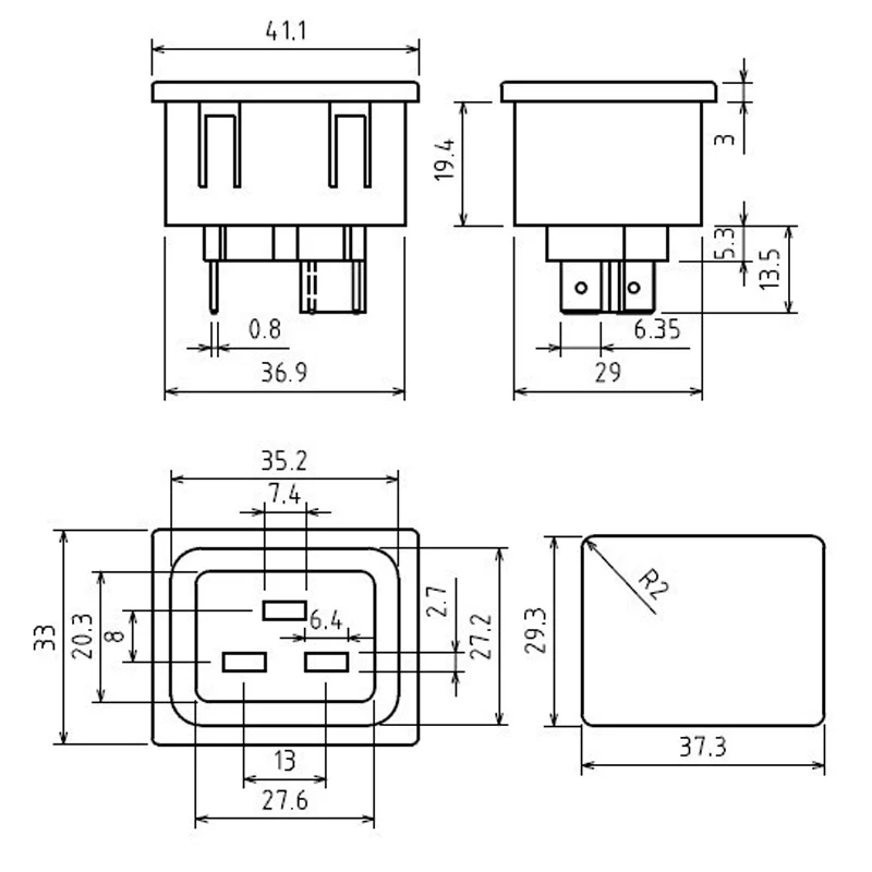
Розетка номинальное напряжение до 250