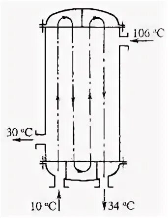
Романков примеры и задачи