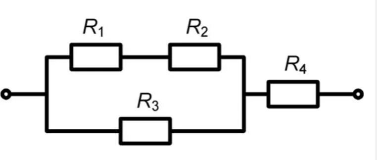
Резисторы r2 r3 r4 соединены