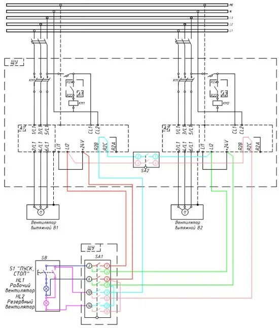
Резервирование двигателя