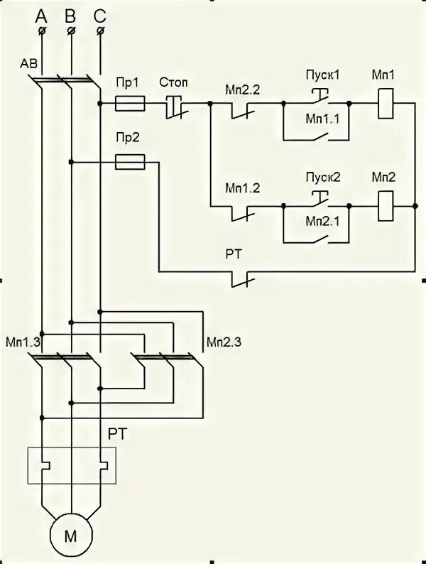
Реверсивная схема пуска электродвигателя