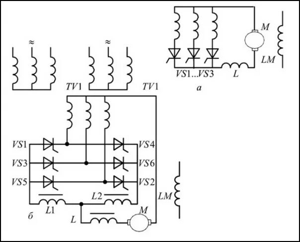
Реверсировать это