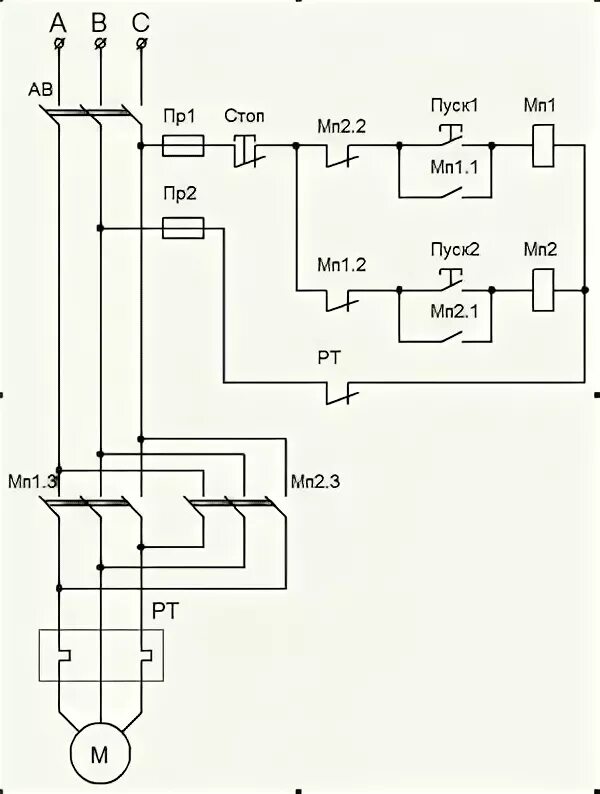
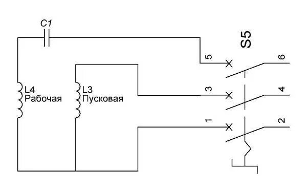
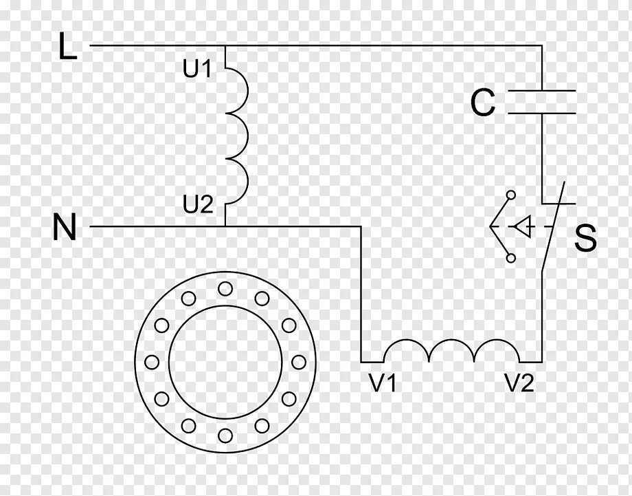
Реверс однофазного двигателя 220в