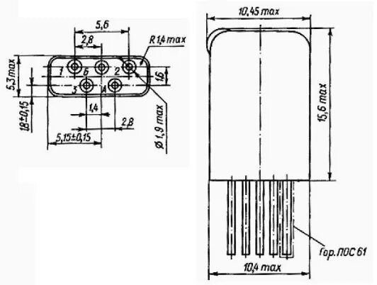
Рэс49 содержание драгметаллов