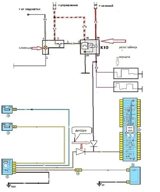
Рено логан не работает обогрев заднего стекла