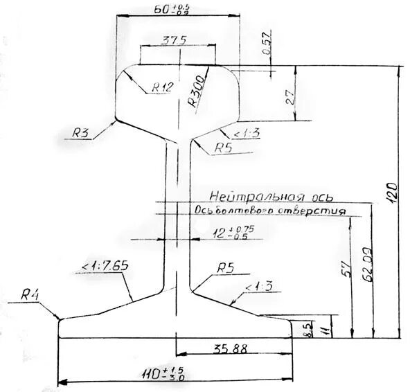
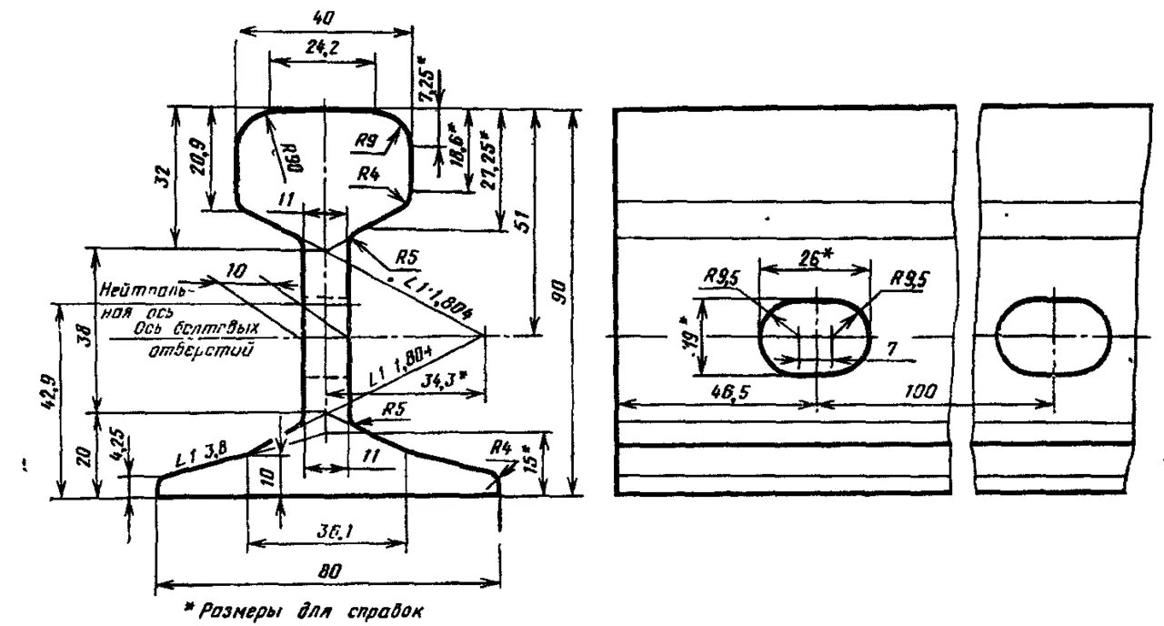
Рельс р24 размеры