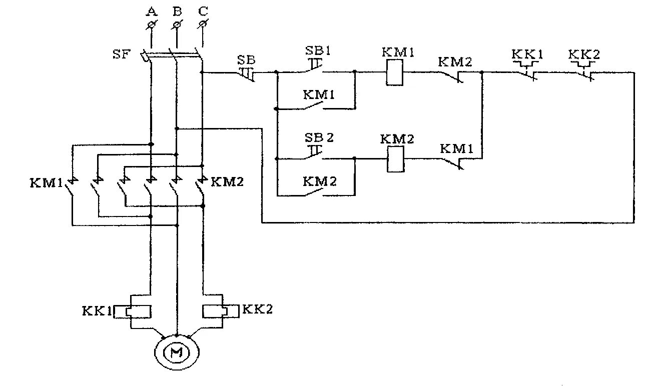
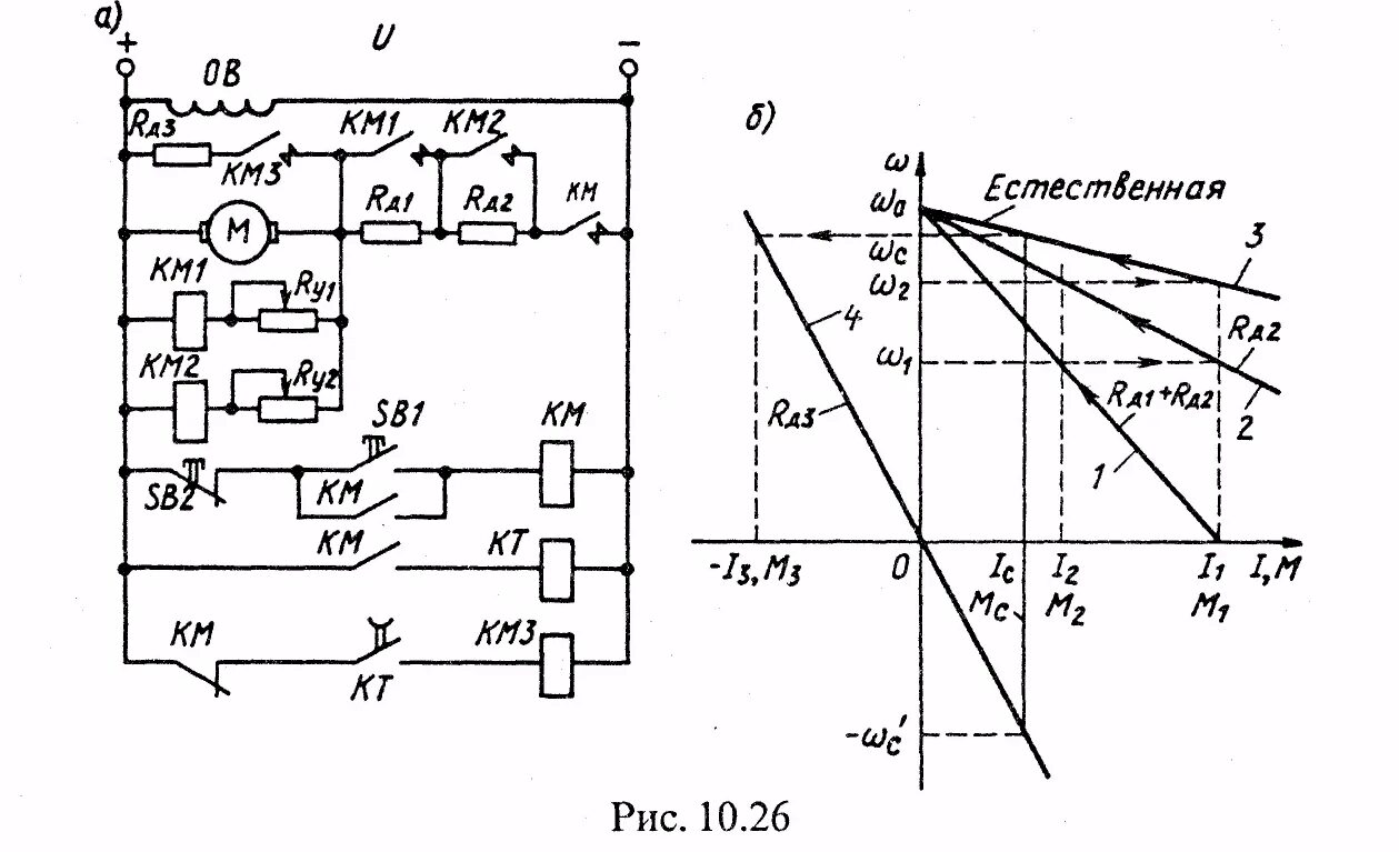
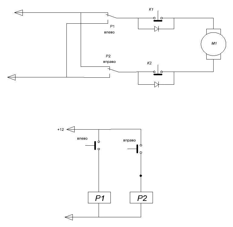
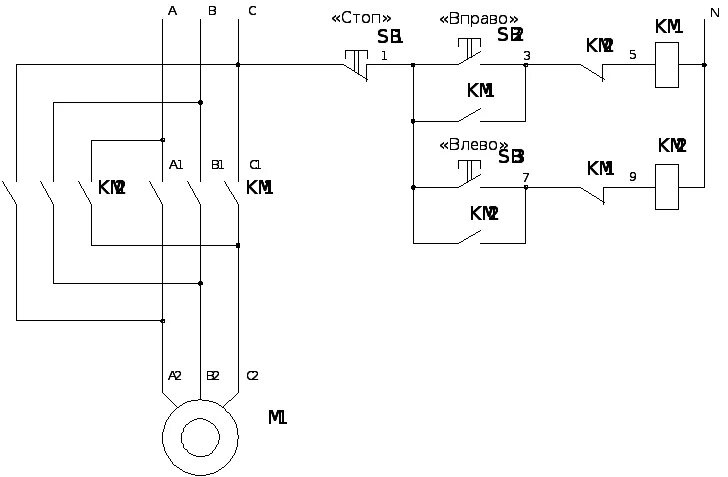
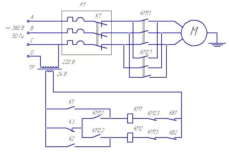
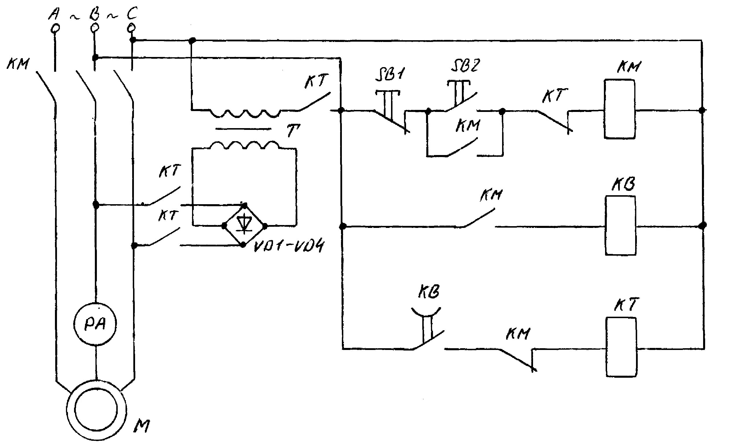
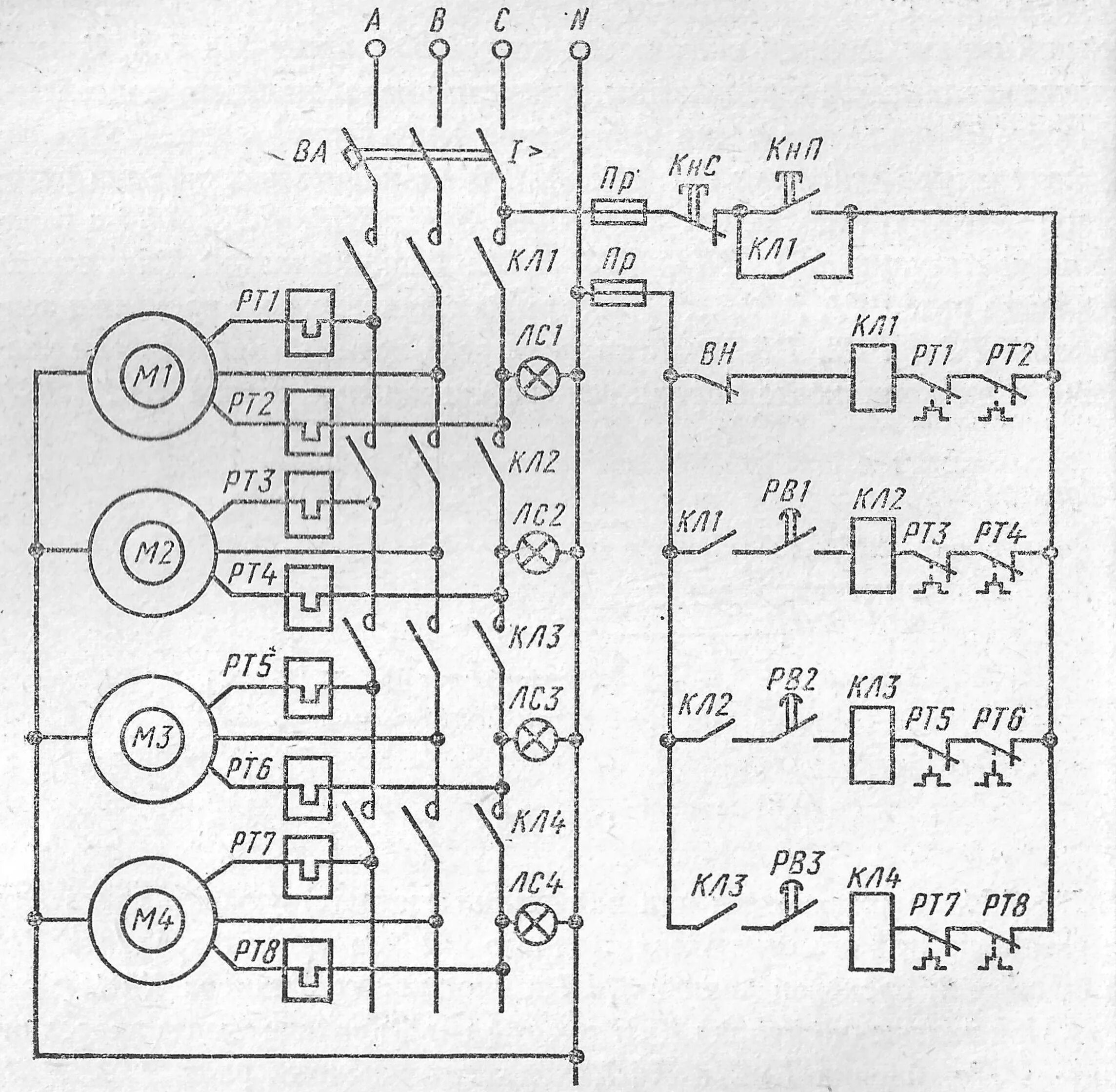
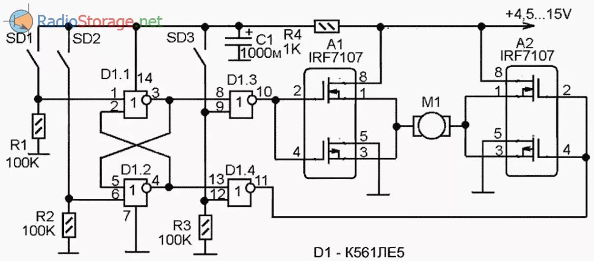
Релейное управление двигателем