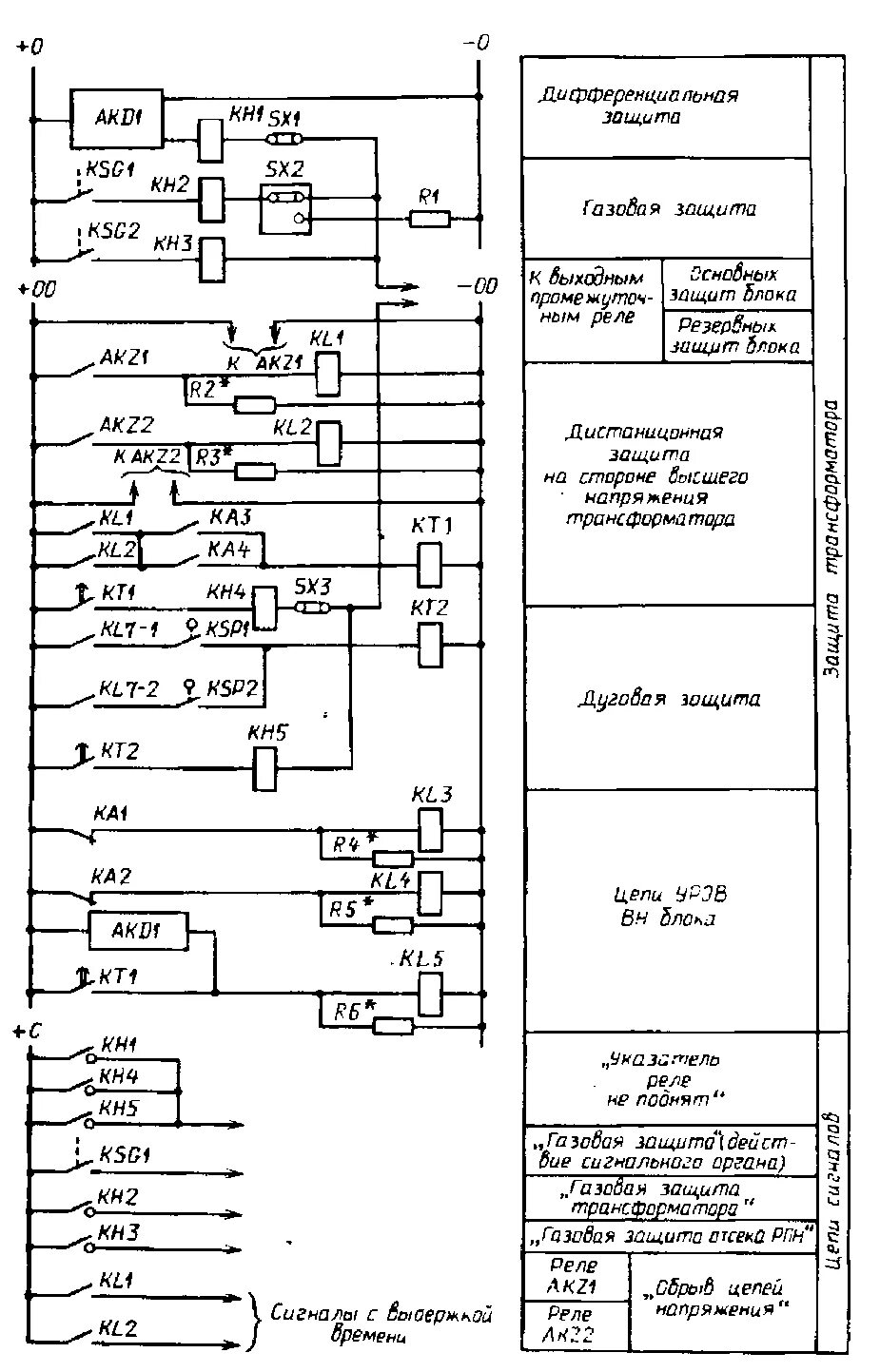
Реле защиты трансформатора