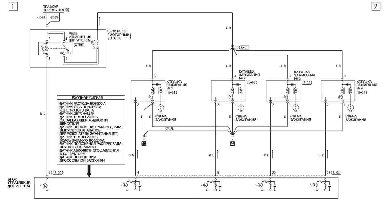
Реле системы управления двигателем