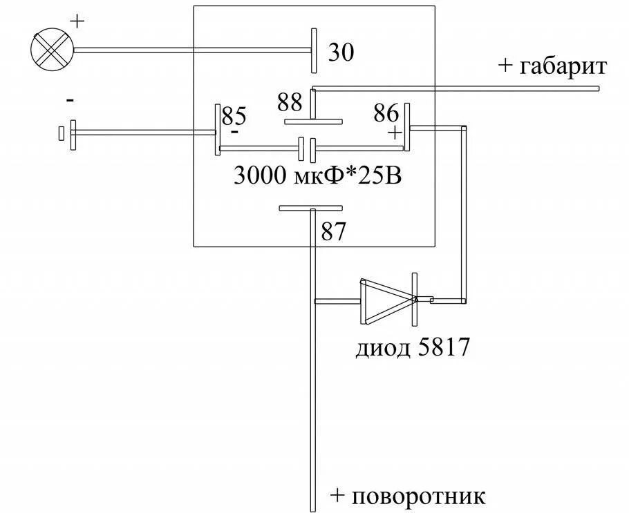
Реле поворотников схема подключения