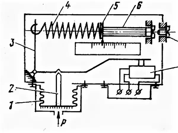
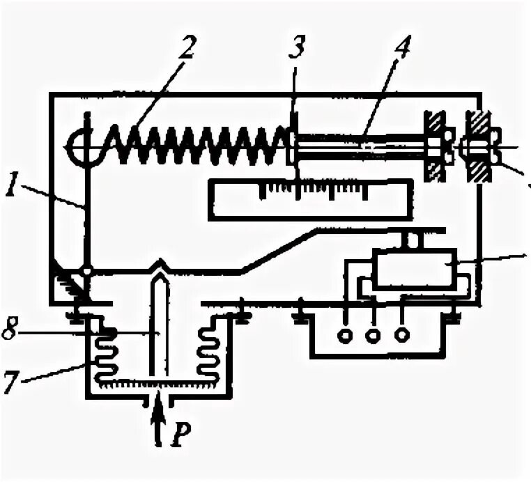
Реле давления рдк