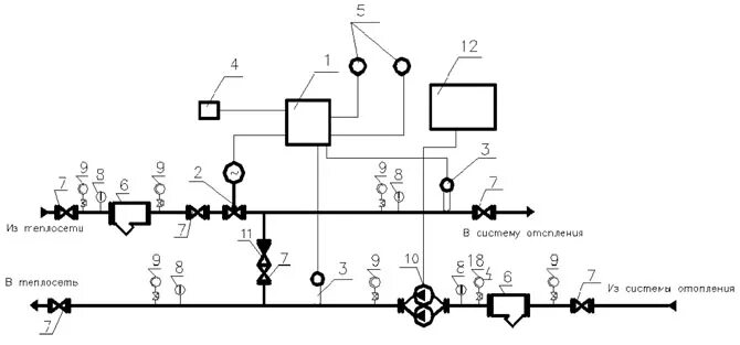
Регуляторы в итп