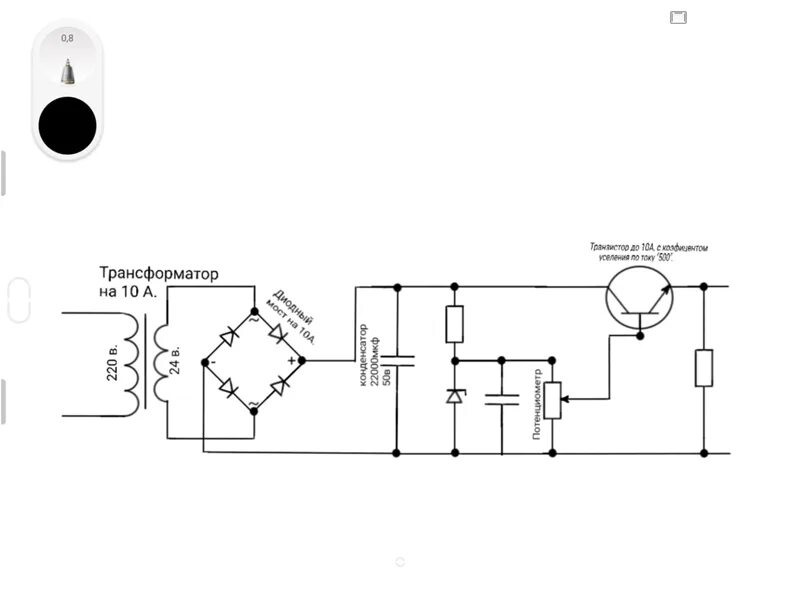
Регулировка напряжения от 0