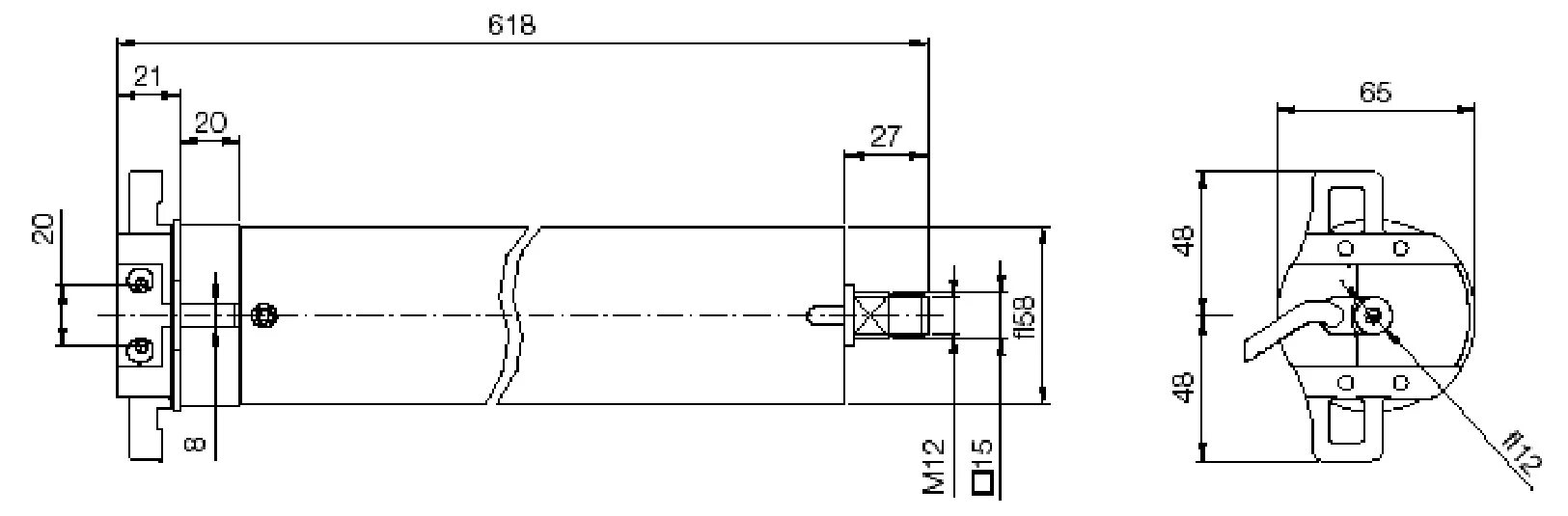
Регулировка электропривода алютех