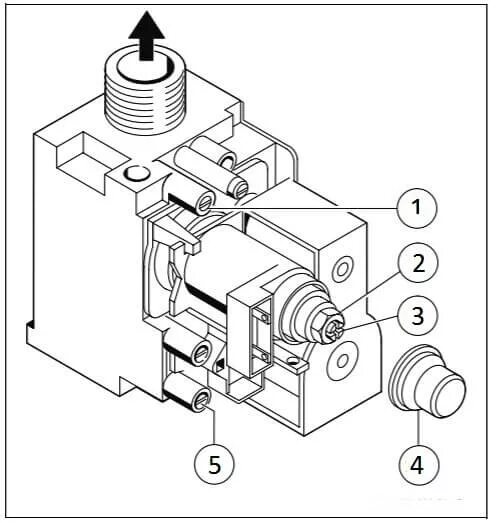
Регулировка давления газа в котле