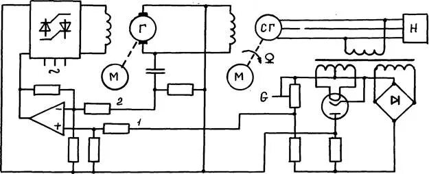
Регулирование синхронного генератора