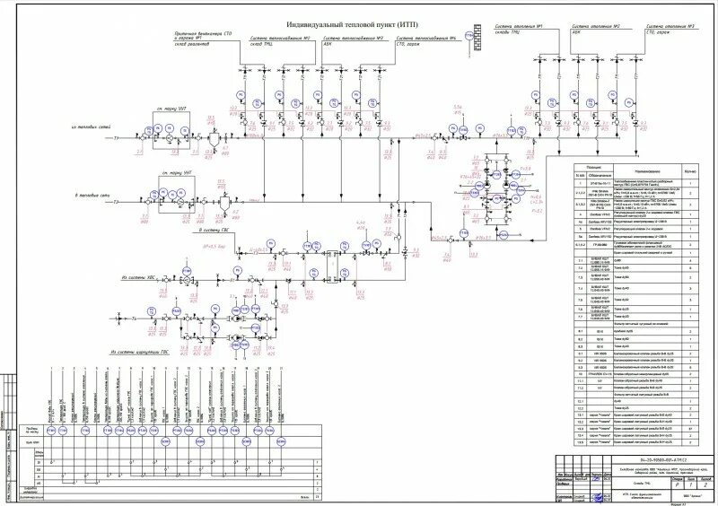
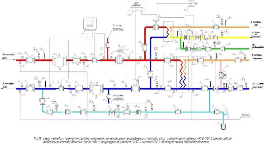
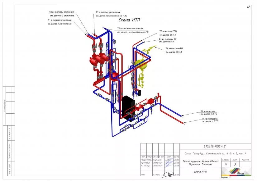
Размещение итп