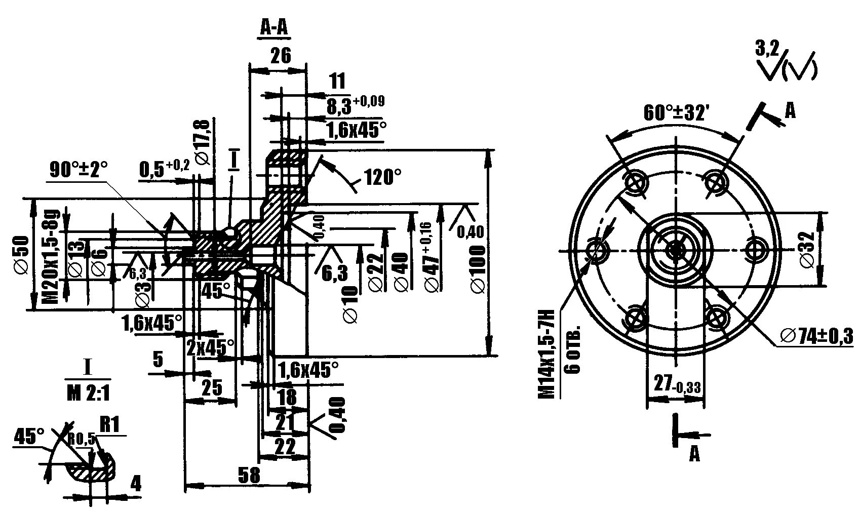
Размеры расположения отверстий