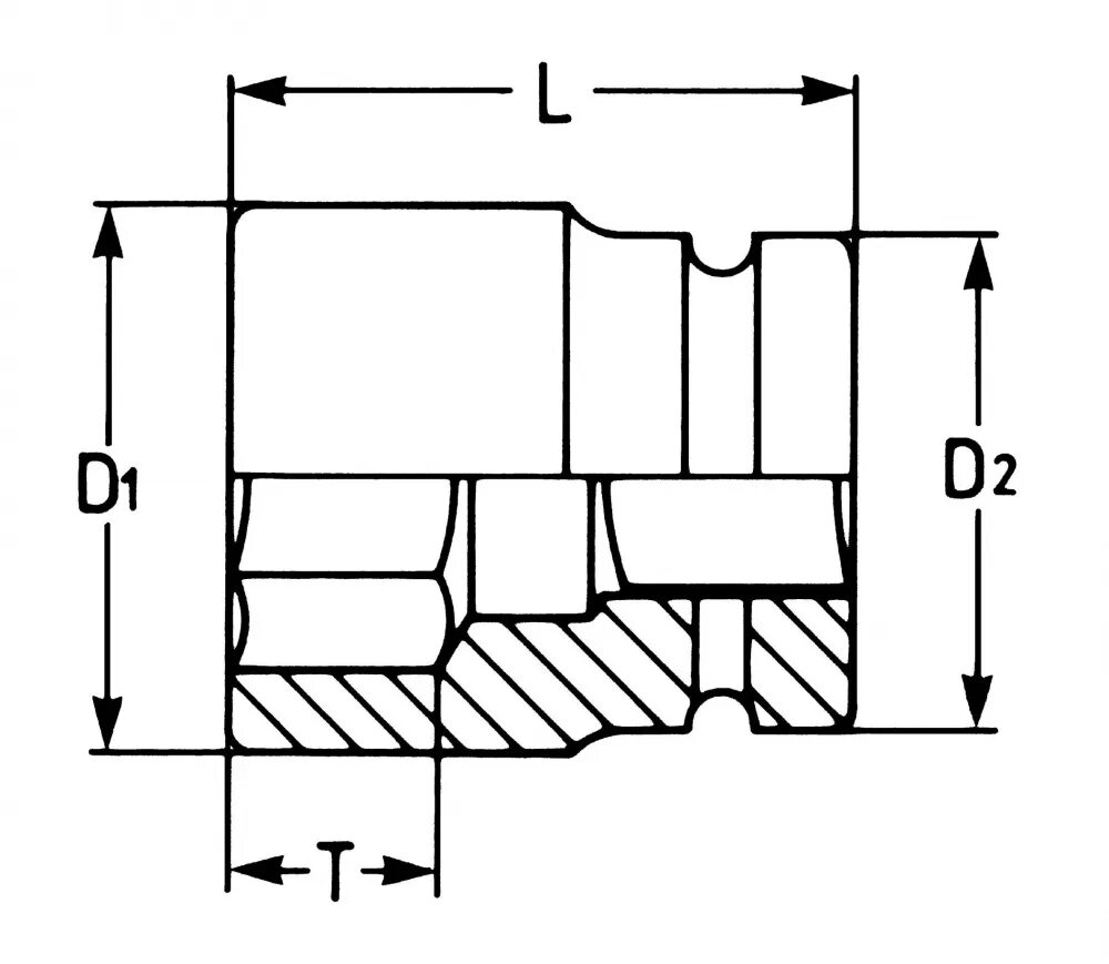
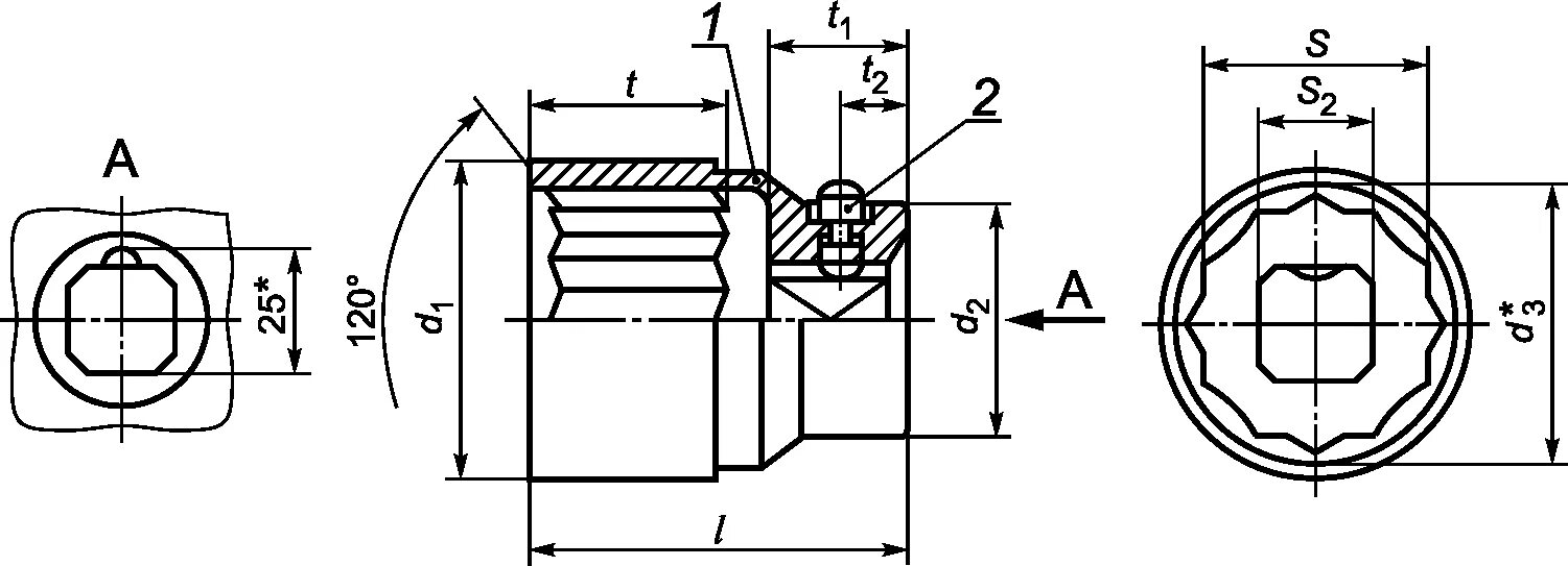
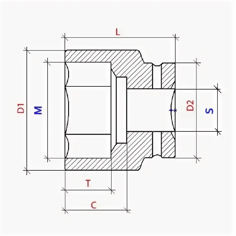
Размер под торцевую головку