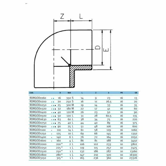
Размер фитингов пвх